Описание
Характеристики
Отзывы
Описание
Компания Suzuki выпустила два высокопроизводительных четырехтактных подвесных мотора - DF20A и DF15A. Позднее в 2013 году были представлены лодочные моторы Suzuki DF9.9B, изготовленные в общей базе с DF15A и DF20A. Примечательным является то, что Suzuki в очередной раз подтвердила свою репутацию инновационной компании и наделила моторы инжекторной системой впрыска подобной мощности впервые! Представленные моторы DF20A/15A/9.9B предназначены для использования на малых пластиковых и резиновых лодках, которые очень популярны среди рыбаков-любителей. Это компактные легкие 4-тактные навесные моторы, отличающиеся экономичным расходом топлива. К тому же система впрыска топлива является безаккумуляторной, и как видно из определения, не требует аккумуляторной батареи. Наличие системы Lean Burn в моторах Suzuki способствует экономии топлива до 14% (данные замеров, проведённых в компании Suzuki).
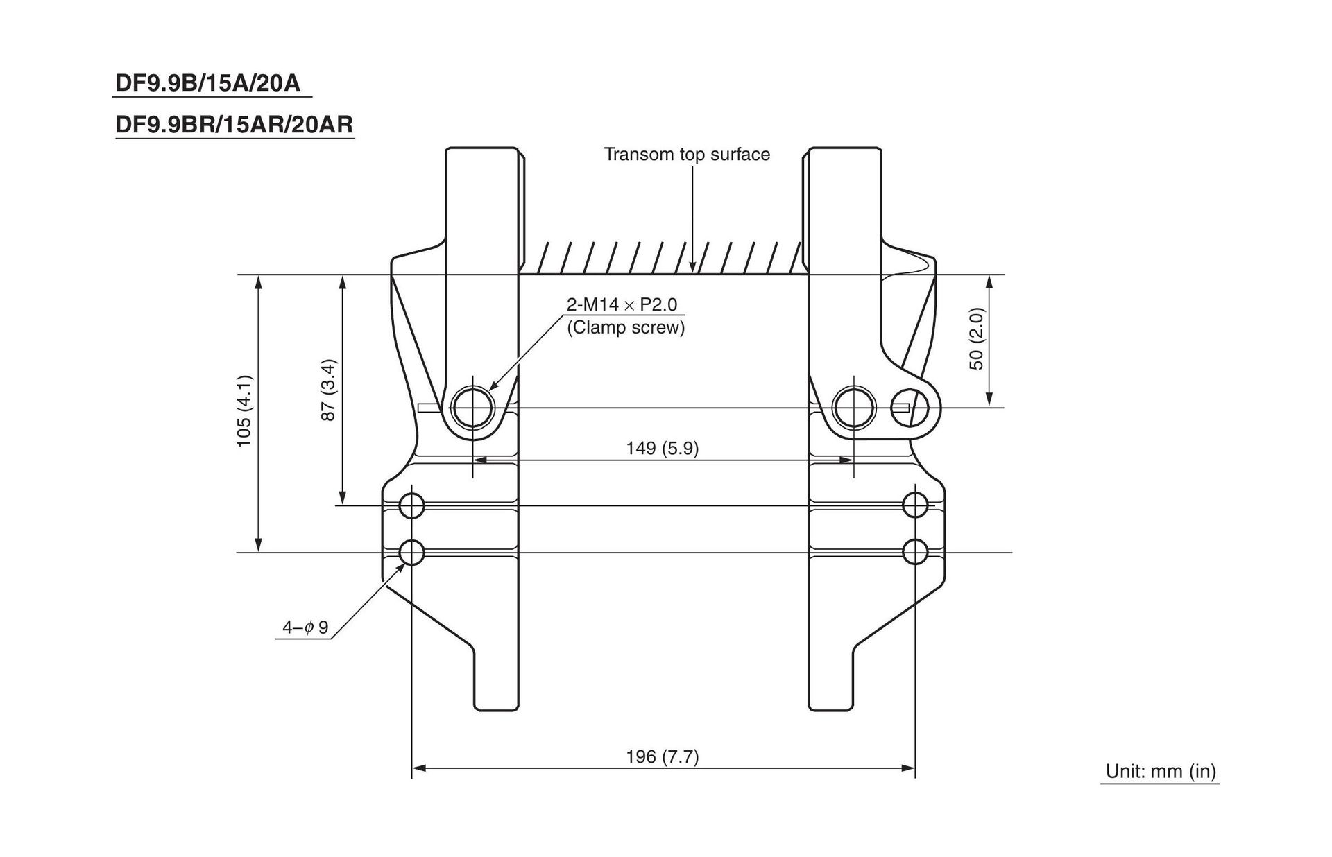
Существенной модификации подверглась также и подвеска подвесного мотора, для снижения вибрации от двигателя передаваемой на румпель и корпус лодки. Были применены современные технологии с использованием улучшенной конструкции амортизаторов. Конструкция подвески учитывает и лучшую развесовку лодочного мотора, в том числе и для удобной его откидки.
Существенной модификации подверглась также и подвеска подвесного мотора, для снижения вибрации от двигателя передаваемой на румпель и корпус лодки. Были применены современные технологии с использованием улучшенной конструкции амортизаторов. Конструкция подвески учитывает и лучшую развесовку лодочного мотора, в том числе и для удобной его откидки.
Комплектация
- мотор,
- инструкция по эксплуатации,
- бак 12 литров,
- инструменты,
- винт,
- чека
Характеристики
Бренд
Suzuki
Страна производства
Тайланд
Ширина, см
38
Вес, кг
48
Гарантия
3 года
Длина, см
93
Страна бренда
Япония
УИД
26139
Управление
Дистанционное
Мощность, л.с.
9.9
Объём двигателя, куб
327
Количество тактов
4
Охлаждение
Водяное
Система запуска
Электростартер
Тип топлива
АИ92-95
Вращение винта
Правое
Генератор
12V 145W 12A
Дейдвуд
381 (S)
Зажигание
CDI
Максимальные обороты
4700-5700
Мощность (кВт)
7.3
Ёмкость топливного бака
12
Передаточное отношение
2,08:1
Передачи
F-N-R
Система подъёма
Ручная
Система смазки
Картер
Тип двигателя
Бензиновый
Система подачи топлива
Инжектор
Винт
3x9-1/4x12
Количество цилиндров
2
Высота, см
100
Расширенная гарантия
нет
Рекомендуемый тип масла
SAE 10W-40 ( NMMA FC-W)
Рекомендуемая свеча зажигания
NGK MR6K9
Все характеристики
Отзывы
Отзывов еще никто не оставлял
